PRODUCT

| 容器尺寸 | φ50-150mm,H 50-300mm |
| 罐装重量 | 10 – 5000g |
| 罐装精度 | ≤ 500g,≤±1%;>500g,≤±0.5% |
| 罐装速度 | 15 - 40 bottles/min |
| 电源 | 3P AC208-415V 50/60Hz |
| 压缩空气 | 6 kg/cm2 0.05m3/min |
| 整机功率 | 1.6Kw |
| 整机重量 | 300kg |
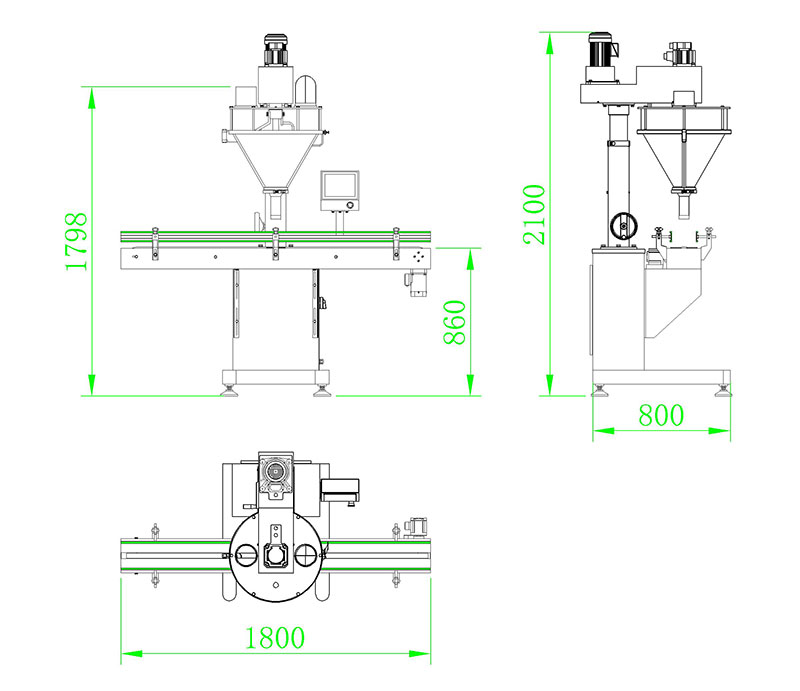
| 整机体积 | 2100×800×1800mm |
| 料箱容积 | 50L |
| 序号 | 名称 | 型号规格 | 产地品牌 |
| 1 | 不锈钢 | SUS304 | 中国 |
| 2 | PLC | 台湾台达 | |
| 3 | 触摸屏 | 台湾台达 | |
| 4 | 充填伺服马达 | ECMA-C20807RS | 台湾台达 |
| 5 | 充填伺服驱动器 | B2721BW3450680 | 台湾台达 |
| 8 | 搅拌减速电机 | 400W | 台湾万鑫 |
| 9 | 电磁阀 | 台湾亚德客 | |
| 10 | 气缸 | SDA40X15 | 台湾亚德克 |
| 11 | 过滤调压器 | AFR-2000 | 台湾亚德克 |
| 12 | 小功率电机 | 120W 1300rpm Model: 90YS120GY38 | 台湾JSCC |
| 13 | 减速机 | Ratio:1:36,Model:90GK(F)36RC | 台湾JSCC |
| 14 | 电源开关 | HZ5BGS | 温州长信 |
| 15 | 断路器 | 施耐德 | |
| 16 | 急停开关 | 施耐德 | |
| 17 | 滤波器 | ZYH-EB-10A | 北京中宇豪 |
| 18 | 交流接触器 | CJX2 1210 | 温州正泰 |
| 19 | 热继电器 | NR2-25 | 温州正泰 |
| 20 | 直流继电器 | MY2NJ 24DC | 日本欧姆龙 |
| 21 | 开关电源 | 常州诚联 | |
| 22 | 光电传感器 | BR100-DDT | 韩国奥托尼克斯 |
| 23 | 料位传感器 | CR30-15DN | 韩国奥托尼克斯 |

Related Products